Cena stanovena výrobcem
Slevový kód můžete vyplnit v nákupním košíku a potvrdit tlačítkem POUŽÍT
| Lisovací tlak | 50 t |
| Pracovní výška | 68,5 - 1048,5 mm |
| Zdvih pístu | 200 mm |
| Hmotnost | 365 kg |
| Výška | 1904 mm |
Hydraulický lis WPP 50 E
Hydraulický lis s lisovací silou 50 tun s deseti polohami výškového nastavení.
Argumenty, které Vás přesvědčí o kvalitě, výkonu a ceně
Technické údaje
|
Max. lisovací tlak
|
50 t
|
|
Zdvih pístu
|
200 mm
|
|
Celková výška
|
1904 mm
|
|
Pracovní výška - min.
|
68,5 mm
|
|
Pracovní výška - max.
|
1048,5 mm
|
|
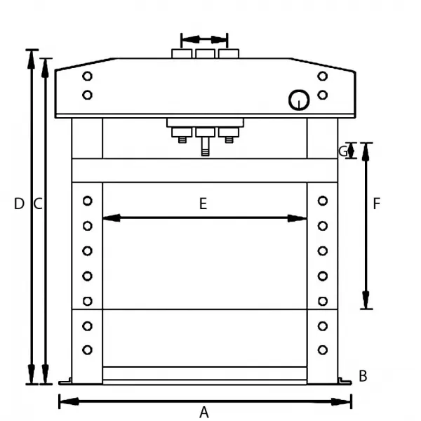
Podrobné rozměry:
|
|
|
A
|
1030 mm
|
|
B
|
80 mm
|
|
C
|
1859 mm
|
|
D
|
1904 mm
|
|
E
|
730 mm
|
|
F
|
68,5 mm
|
|
G
|
1048,5 mm
|
|
Hmotnost
|
302,4 kg
|
| Lisovací tlak | 50 t |
| Pracovní výška | 68,5 - 1048,5 mm |
| Zdvih pístu | 200 mm |
| Hmotnost | 365 kg |
| Výška | 1904 mm |
