Cena stanovena výrobcem
Slevový kód můžete vyplnit v nákupním košíku a potvrdit tlačítkem POUŽÍT
Hydraulický lis WPP 75 E
Hydraulický lis s lisovací silou 75 tun s deseti polohami výškového nastavení.
Argumenty, které Vás přesvědčí o kvalitě, výkonu a ceně
Technické údaje
|
Max. lisovací tlak
|
75 t
|
|
Zdvih pístu
|
250 mm
|
|
Celková výška
|
1940 mm
|
|
Pracovní výška - min.
|
68 mm
|
|
Pracovní výška - max.
|
884 mm
|
|
Pracovní šířka
|
884 mm
|
|
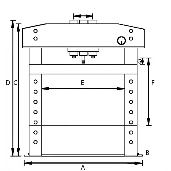
Podrobné rozměry:
|
|
|
A
|
1140 mm
|
|
B
|
800 mm
|
|
C
|
1853 mm
|
|
D
|
1940 mm
|
|
E
|
800 mm
|
|
F
|
68 mm
|
|
G
|
884 mm
|
|
Hmotnost
|
451 kg
|
